Электродвигатели серии АИУ132-2АИУ280 асинхронные взыровозащищенные для привода вентиляторов местного проветривания
Электродвигатели асинхронные взрывозащищенные трехфазные АИУ, 2АИУ предназначены для работы от трехфазной сети переменного тока частоты 50 Гц во взрывоопасных производствах угольной промышленности в качестве привода вентиляторов местного проветривания типа ВМЭ в угольных шахтах, опасных по газу (метану) и угольной пыли согласно ГОСТ 30852.19.
Электродвигатели имеют уровень взрывозащиты PB (взрывобезопасный) в соответствии с ГОСТ 12.2.020, вид взрывозащиты D (взрывонепроницаемая оболочка) для группы I по ГОСТ Р 30852.0.
Маркировка уровня и вида взрывозащиты: PB ExdI.
Электродвигатели изготавливаются на номинальные напряжения 380/660 В или 660/1140 В. Конкретное исполнение по напряжению должно оговариваться в договоре на поставку.
По заказу электродвигатели изготавливаются в исполнении для работы от преобразователя частоты. Требования к двигателям и к условиям эксплуатации двигателей с питанием о преобразователей частоты по ГОСТ Р 55136-2012.
Схема соединения обмотки статора – треугольник/звезда. Двигатели имеют шесть выводных проводов обмотки статора.
Электродвигатели работают как с правым, так и с левым направлением вращения.
Номинальный режим работы электродвигателей – S1 по ГОСТ Р 52776.
Класс нагревостойкости изоляции электродвигателей Н по ГОСТ 8865.
Пуск электродвигателей прямой, обеспечивается как при номинальном напряжении сети, так и при снижении напряжения сети за время пуска до 0,8 Uном.
Основные номинальные параметры электродвигателей соответствуют указанным в таблице 26. Данные, приведенные в таблице 26, относятся к продолжительному режиму работы S1 по ГОСТ Р 52776 при частоте тока 50 Гц и высоте над уровнем моря до 1000 м.
Таблица 26
|
Тип двигателя |
Мощность, кВт |
Синхронная частота вращения, об/мин |
КПД, % |
Cos φ |
Iном, А при U ном |
Mмакс/ Mном |
Mпуск/ Мном |
Iпуск/ Iном |
||
|
380 |
660 |
1140 |
||||||||
|
АИУ132М2 |
15 |
3000 |
87,6 |
0,92 |
28 |
16,3 |
9,4 |
3,0 |
2,1 |
7,0 |
|
АИУ160М2 |
25 |
3000 |
88,0 |
0,9 |
48 |
27,7 |
16 |
2,5 |
2,0 |
7,0 |
|
АИУ200L2 |
45 |
3000 |
91,5 |
0,88 |
85 |
49 |
28 |
3,3 |
2,2 |
7,0 |
|
2АИУ225М2 |
55 |
3000 |
92,1 |
0,93 |
98 |
56 |
33 |
3,2 |
2,3 |
8,5 |
|
2АИУ250М2 |
90 |
3000 |
92,3 |
0,94 |
158 |
91 |
52 |
3,2 |
2,2 |
7,5 |
|
2АИУ280S4 |
110 |
1500 |
94,7 |
0,91 |
194 |
112 |
65 |
2,4 |
2,2 |
7,2 |
|
2АИУ280МХ4 |
160 |
1500 |
94,0 |
0,88 |
294 |
169 |
98 |
3,3 |
2,6 |
6,5 |
Требования к уровню шума ГОСТ Р 53148 (МЭК 60034-9). При работе от преобразователя частоты уровень звуковой мощности двигателей может повышаться на величину от 1 до 15 dB (A) по сравнению с работой от сети.
Степень вибрации двигателей – А, по заказу – В согласно ГОСТ Р МЭК 60034-14-2008. Балансировка ротора с полушпонкой на свободном конце вала.
По заказу двигатели изготавливаются со встроенными в каждую фазу обмотки статора термопреобразователями сопротивления Pt100 с номинальной статической характеристикой α=0,00385°С-1 по ГОСТ Р 8.625 (W100=1,3850 по ГОСТ 6651). Схема соединения датчиков – двухпроводная.
Во вводном устройстве двигателей предусмотрена клеммная колодка (маркировка 1R1, 1R2; 2R1, 2R2 и 3R1, 3R2 по МЭК 60034-8) для подсоединения термопреобразователей.
По заказу потребителя двигатели изготавливаются с установленными в подшипниковых щитах термопреобразователями сопротивления типа Pt100 с номинальной статической характеристикой a=0,00385°С-1 по ГОСТ Р 8.625 (W100=1,3850 по ГОСТ 6651). Схема соединения датчиков – двухпроводная.
Во вводном устройстве двигателей должна быть предусмотрена клеммная колодка (маркировка 4R1, 4R2; 5R1, 5R2 по МЭК 60034-8) для подсоединения термопреобразователей.
Исполнение электродвигателей двигателей по способу монтажа IM4001.
Степень защиты двигателей – IP54 по ГОСТ 14254.
Способ охлаждения для двигателей: IC411 по ГОСТ Р МЭК 60034-6-2012.
Номинальные рабочие значения механических ВВФ – по ГОСТ 17516.1 для группы механического исполнения М1.
Коробка выводов двигателя крепится на корпусе вентилятора и допускает поворот на угол, кратный 90°.
Коробка выводов электродвигателя имеет шесть силовых зажимов и зажимы заземления (внутренние и наружные).
Коробка выводов имеет один ввод для силовых кабелей.
Коробка выводов двигателей с датчиками температуры (исполнения Б1, Б2, Б3) имеет дополнительный ввод для кабеля цепи управления.
Коробка выводов допускает ввод бронированного кабеля с медными жилами с обеспечением сухой разделки.
Электродвигатели допускают установку рабочего колеса вентилятора местного проветривания непосредственно на рабочий конец вала.
Электродвигатели изготовлены с закрытыми подшипниками со смазкой, заложенной на весь срок службы подшипников.
По заказу электродвигатели изготавливаются с подшипниками открытого типа и должны иметь устройство для пополнения и частичной замены смазки без полной разбора двигателя.
Электродвигатели, предназначенные для работы с преобразователем частоты, изготавливаются с электроизолированным подшипником, установленным с нерабочей стороны.
Структура условного обозначения двигателя и его расшифровка:

Пример записи обозначения двигателя 2АИУ250М2Б1У2,5-РП-ВМЭ, вида климатического исполнения У2,5, мощностью 90 кВт, напряжением 660/1140 В, частотой сети 50 Гц, исполнения по взрывозащите РВ ExdI, с термосопротивлениями в обмотке статора и подшипниках, для работы с преобразователем частоты, исполнения по монтажу IM4001, климатического исполнения У2,5, при заказе и в документации другого изделия:
«Двигатель 2АИУ250М2Б1У2,5-РП-ВМЭ, 660/1140 В, 50Гц, РВ ExdI, IM4001, ТУ».
Пример записи обозначения двигателя 2АИУ250М2У2,5-ВМЭ, вида климатического исполнения У2,5, мощностью 110 кВт, напряжением 660/1140 В, исполнения по взрывозащите РВ ExdI, без датчиков в обмотке статора и подшипниках, для работы от сети переменного тока частотой 50 Гц, исполнения по монтажу IM4001, климатического исполнения У2,5, при заказе и в документации другого изделия:
«Двигатель 2АИУ250М2У2,5-ВМЭ, 660/1140 В, 50Гц, РВ ExdI, IM4001, ТУ».
Рисунок 17a
Масса 165 кг

Рисунок 17b
Масса 228 кг
Установочные и присоединительные размеры двигателя АИУ160М2 для исполнения IM4001
Рисунок 17c
Масса 426 кг
Установочные и присоединительные размеры двигателя АИУ200L2 для исполнения IM4001

Рисунок 17d
Масса 445 кг
Установочные и присоединительные размеры двигателя 2АИУ225М2 для исполнения IM4001

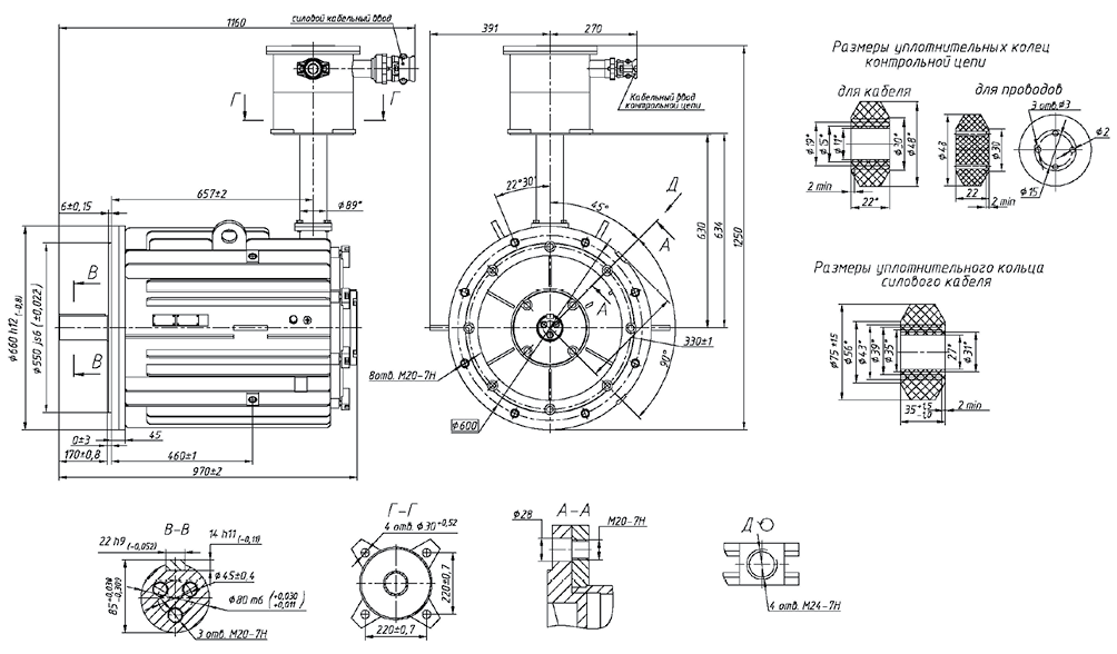
Рисунок 17e
Масса 620 кг
Установочные и присоединительные размеры двигателя 2АИУ250М2 для исполнения IM4001

Рисунок 17f

Рисунок 17g

Рисунок 17h

