Электродвигатели серии 6А132-280
Двигатели асинхронные с короткозамкнутым ротором серии 6А 132,160, 180, 200, 225, 250, 280 имеют общепромышленное применение.
Изготавливаются для поставок в районы с умеренным (исполнение У2), тропическим (исполнение Т2) и холодным (исполнение УХЛ1) климатом. По заказу двигатели могут изготавливаться в морском исполнении (ОМ2).
Двигатели изготавливаются в следующих конструктивных исполнениях:
- основное исполнение 6А (Таблица 1);
- с повышенным скольжением 6АС (Таблица 2). Применяются в приводах с высоким коэффициентом инерции, с пульсирующей нагрузкой, частыми или тяжелыми пусками, реверсами;
- с повышенным пусковым моментом 6АР (Таблица 3) Предназначены для приводов с высоким статическим или динамическим моментом на валу;
- многоскоростные (Таблица 4).
Технические характеристики приведены для частоты тока сети 50 Гц.
Степень защиты IР54. Класс изоляции — F.
Исполнения по способу монтажа по ГОСТ 2479:
- на лапах - IМ1081 (для 6А280, – IM 1001);
- на лапах с фланцем - IМ2081 (для 6А280 - IM2001, IM2011);
- без лап с фланцем - IМ3081 (для 6А225, 250 - IM3011, IM3031; для 6А280 - IМ3011).
По заказу двигатели могут изготавливаться с двумя рабочими концами вала.
Двигатели основного исполнения, с повышенным пусковым моментом и многоскоростные рассчитаны для работы в режиме S1, с повышенным скольжением в режиме S3.
Двигатели предназначены для питания от сети переменного тока частотой 50 Гц или 60 Гц напряжением 220/380 В или 380/660 В. По требованию заказчика двигатели могут изготавливаться на другие стандартные напряжения сети.
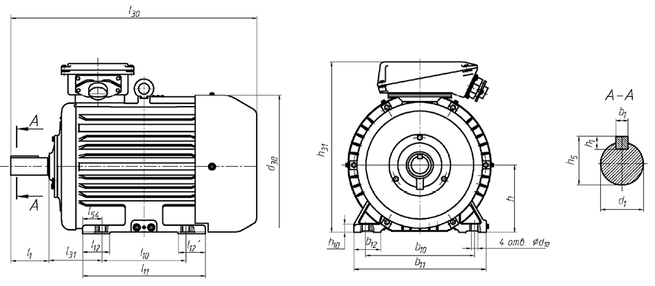
Электродвигатели имеют вводное устройство, расположенное сверху и допускающее разворот на 180° (для 6А280 – см. рисунок 1).
По согласованию с изготовителем могут изготавливаться двигатели с питанием от частотно-регулируемых преобразователей.
Установочные, присоединительные размеры двигателей приведены в таблице 5 и на рисунке 1.
Структура условного обозначения:
6А132М4
6А — обозначение серии;
132 — высота (габарит) оси вращения двигателя в мм;
М — установочная длина станины электродвигателя;
4 — число полюсов.
Таблица 1
| Тип двигателя | Мощ-ность кВт | Скольжение, % | Частота вращ. об./мин. | КПД,% | cos φ | Номинальный ток при U=380 В, А | Ммакс / Мн | Мпуск / Мн | Ммин / Мн | Iпуск / Iн | Масса, кг IМ 1081 |
| 6А132М2 | 11,0 | 4,5 | 3000 | 88,0 | 0,9 | 21,1 | 2,8 | 2,1 | 1,7 | 6,5 | 96,0 |
| 6А160S2 | 15,0 | 4,4 | 3000 | 88,0 | 0,905 | 29 | 3,0 | 2,2 | 1,8 | 6,5 | 112,0 |
| 6А160М2 | 18,5 | 3,1 | 3000 | 88,5 | 0,92 | 35 | 3,0 | 2,0 | 1,7 | 7,0 | 157,0 |
| 6А160М2 | 18,5 | 3,1 | 3000 | 90,0 | 0,9 | 35 | 2,9 | 2,0 | 1,7 | 7,0 | 140,0 |
| 6А180S2 | 22,0 | 2,5 | 3000 | 89,5 | 0,91 | 41 | 3,3 | 1,9 | 1,5 | 7,5 | 187,0 |
| 6А180М2 | 30,0 | 2,7 | 3000 | 90,0 | 0,93 | 54 | 3,5 | 2,2 | 2,0 | 7,5 | 203,0 |
| 6А200М2 | 37,0 | 2,9 | 3000 | 91,0 | 0,91 | 68 | 3,3 | 2,0 | 1,2 | 7,5 | 230,0 |
| 6А200L2 | 45,0 | 3,0 | 3000 | 91,0 | 0,92 | 82 | 3,2 | 2,2 | 2,0 | 8,0 | 270,0 |
| 6А225М2 | 55,0 | 2,0 | 3000 | 91,2 | 0,92 | 100 | 2,8 | 1,5 | 1,3 | 7,5 | 350,0 |
| 6А250S2 | 75,0 | 2,0 | 3000 | 91,5 | 0,90 | 138 | 3,0 | 1,6 | 1,2 | 7,5 | 485,0 |
| 6А250М2 | 90,0 | 2,0 | 3000 | 92,0 | 0,90 | 165 | 2,8 | 1,8 | 1,2 | 7,5 | 515,0 |
| 6А280S2 | 110,0 | 1,6 | 3000 | 93,5 | 0,93 | 192 | 3,0 | 1,9 | 1,4 | 8,0 | 640,0 |
| 6А280М2 | 132,0 | 1,0 | 3000 | 94,0 | 0,92 | 232 | 3,2 | 2,2 | 1,0 | 8,0 | 678,0 |
| 6А132S4 | 7,5 | 4,0 | 1500 | 87,0 | 0,85 | 15,4 | 3,0 | 2,5 | 1,8 | 7,5 | 65,0 |
| 6А132М4 | 11,0 | 4,0 | 1500 | 88,0 | 0,86 | 22,1 | 2,8 | 2,4 | 2,0 | 6,5 | 102,0 |
| 6А160S4 | 15,0 | 4,5 | 1500 | 89,6 | 0,86 | 30 | 2,8 | 2,3 | 1,5 | 6,2 | 122,0 |
| 6А160М4 | 18,5 | 2,5 | 1500 | 91,0 | 0,89 | 35 | 3,3 | 1,9 | 1,5 | 7,5 | 165,0 |
| 6А160М4 | 18,5 | 3,0 | 1500 | 91,0 | 0,88 | 36 | 3,1 | 2,0 | 1,8 | 7,5 | 145 |
| 6А180S4 | 22,0 | 2,1 | 1500 | 90,5 | 0,87 | 42 | 3,3 | 1,9 | 1,5 | 7,5 | 183,0 |
| 6А180М4 | 30,0 | 2,1 | 1500 | 91,5 | 0,87 | 57 | 3,3 | 2,1 | 1,8 | 7,0 | 200,0 |
| 6А200М4 | 37,0 | 2,6 | 1500 | 91,5 | 0,88 | 70 | 3,0 | 1,9 | 1,8 | 7,0 | 225,0 |
| 6А200L4 | 45,0 | 2,2 | 1500 | 92,0 | 0,86 | 86 | 3,0 | 2,0 | 1,8 | 7,0 | 260,0 |
| 6А225М4 | 55,0 | 2,0 | 1500 | 92,5 | 0,88 | 103 | 2,6 | 1,6 | 1,5 | 7,0 | 350,0 |
| 6А250S4 | 75,0 | 2,0 | 1500 | 93,5 | 0,89 | 137 | 2,5 | 1,5 | 1,4 | 6,5 | 490,0 |
| 6А250М4 | 90,0 | 1,5 | 1500 | 93,3 | 0,91 | 161 | 2,5 | 1,5 | 1,3 | 6,5 | 535,0 |
| 6А280S4 | 110,0 | 1,5 | 1500 | 94,2 | 0,86 | 206 | 3,0 | 2,9 | 2,5 | 7,0 | 620,0 |
| 6А280М4 | 132,0 | 1,0 | 1500 | 95,0 | 0,91 | 232 | 2,5 | 2,5 | 1,4 | 6,8 | 765,0 |
| 6А132S6 | 5,5 | 5,0 | 1000 | 83,0 | 0,79 | 12,7 | 2,9 | 2,7 | 2,3 | 6,0 | 64,0 |
| 6А132М6 | 7,5 | 5,0 | 1000 | 84,5 | 0,8 | 16,9 | 2,9 | 2,4 | 1,5 | 6,5 | 102,0 |
| 6А160S6 | 11,0 | 4,8 | 1000 | 86,0 | 0,80 | 24 | 2,9 | 2,3 | 1,2 | 5,1 | 122,0 |
| 6А160М6 | 15,0 | 3,7 | 1000 | 88,5 | 0,85 | 30 | 2,7 | 2,0 | 1,6 | 6,0 | 165,0 |
| 6А160М6 | 15,0 | 3,7 | 1000 | 88,5 | 0,82 | 31 | 2,7 | 1,8 | 1,6 | 6,0 | 145 |
| 6А180М6 | 18,5 | 2,6 | 1000 | 89,5 | 0,88 | 36 | 3,2 | 2,1 | 1,2 | 6,5 | 192,0 |
| 6А200М6 | 22,0 | 4,2 | 1000 | 88,5 | 0,90 | 42 | 2,5 | 1,8 | 1,6 | 6,0 | 225,0 |
| 6А200L6 | 30,0 | 2,1 | 1000 | 91,0 | 0,86 | 58 | 2,7 | 2,0 | 1,7 | 6,5 | 245,0 |
| 6А225М6 | 37,0 | 2,0 | 1000 | 91,1 | 0,86 | 72 | 2,3 | 1,5 | 1,3 | 6,5 | 335,0 |
| 6А250S6 | 45,0 | 1,5 | 1000 | 92,0 | 0,85 | 87 | 2,3 | 1,5 | 1,4 | 6,5 | 435,0 |
| 6А250М6 | 55,0 | 1,5 | 1000 | 92,3 | 0,86 | 105 | 2,3 | 1,6 | 1,4 | 6,5 | 470,0 |
| 6А280S6 | 75,0 | 1,9 | 1000 | 93,0 | 0,86 | 142 | 2,3 | 2,3 | 2,0 | 6,5 | 610,0 |
| 6А280М6 | 90,0 | 2,0 | 1000 | 93,5 | 0,86 | 170 | 1,8 | 1,7 | 1,0 | 6,5 | 704,0 |
| 6А132S8 | 4,0 | 6,9 | 750 | 80,0 | 0,76 | 10,0 | 2,5 | 2,0 | 1,8 | 5,0 | 64,0 |
| 6А 32М8 | 5,5 | 5,0 | 750 | 80,0 | 0,73 | 14,3 | 2,5 | 2,0 | 1,5 | 5,0 | 100,0 |
| 6А160S8 | 7,5 | 4,3 | 750 | 81,5 | 0,70 | 20 | 2,1 | 2,0 | 1,2 | 4,3 | 122,0 |
| 6А160М8 | 11,0 | 4,3 | 750 | 86,5 | 0,75 | 26 | 2,5 | 2,0 | 1,2 | 5,8 | 165,0 |
| 6А160М8 | 11,0 | 4,3 | 750 | 87,0 | 0,74 | 26 | 2,5 | 1,8 | 1,2 | 5,8 | 145 |
| 6А180М8 | 15,0 | 3,5 | 750 | 87,0 | 0,81 | 32 | 2,8 | 1,8 | 1,5 | 5,5 | 197,0 |
| 6А200М8 | 18,5 | 4,1 | 750 | 85,5 | 0,82 | 41 | 2,7 | 1,8 | 1,6 | 5,5 | 225,0 |
| 6А200L8 | 22,0 | 2,1 | 750 | 87,4 | 0,74 | 52 | 2,7 | 2,0 | 1,1 | 6,0 | 247,0 |
| 6А225М8 | 30,0 | 2,0 | 750 | 90,0 | 0,80 | 63 | 2,3 | 1,4 | 1,3 | 5,5 | 335,0 |
| 6А250S8 | 37,0 | 1,5 | 750 | 90,5 | 0,8 | 78 | 2,1 | 1,4 | 1,3 | 5,5 | 435,0 |
| 6А250М8 | 45,0 | 1,5 | 750 | 92,0 | 0,8 | 93 | 2,2 | 1,5 | 1,3 | 5,5 | 470,0 |
| 6А280S8 | 55,0 | 1,8 | 750 | 92,0 | 0,77 | 118 | 2,3 | 2,1 | 1,8 | 5,5 | 610,0 |
| 6А280М8 | 75,0 | 1,5 | 750 | 93,5 | 0,83 | 147 | 2,0 | 1,7 | 1,0 | 6,5 | 717,0 |
Таблица 2
| Тип двигателя | Мощ-ность кВт | Скольжение, % | Частота вращ. об./мин. | КПД,% | cos φ | Номинальный Ток при U=380 В, А | Ммакс / Мн | Мпуск / Мн | Iпуск / Iн | Масса, кг IМ 1081 |
| 6АС132М6 | 8,5 | 8,0 | 1000 | 80,0 | 0,87 | 18,6 | 2,5 | 2,0 | 5,0 | 78 |
| 6АС200L4 | 40 | 4,5 | 1500 | 89,5 | 0,86 | 79 | 3,2 | 3,1 | 7,5 | 260 |
| 6АС225М4 | 50 | 7,0 | 1500 | 87,5 | 0,92 | 94 | 2,7 | 2,7 | 7,0 | 355 |
| 6АС250S4 | 56 | 8,0 | 1500 | 87,5 | 0,92 | 106 | 3,0 | 2,7 | 7,0 | 490 |
| 6АС250М4 | 63 | 9,0 | 1500 | 87,0 | 0,93 | 118 | 3,5 | 3,0 | 7,0 | 535 |
| 6АС225М6 | 33,5 | 12,0 | 1000 | 81,0 | 0,91 | 69 | 2,4 | 2,1 | 6,5 | 335 |
| 6АС250S6 | 40 | 5,0 | 1000 | 89,0 | 0,90 | 76 | 2,5 | 2,5 | 6,5 | 435 |
| 6АС250М6 | 45 | 5,0 | 1000 | 88,5 | 0,89 | 87 | 3,0 | 2,5 | 6,5 | 470 |
| 6АС225М8 | 26,5 | 10,0 | 750 | 83,0 | 0,85 | 57 | 2,6 | 2,5 | 6,0 | 335 |
| 6АС250S8 | 36 | 7,5 | 750 | 85,0 | 0,85 | 76 | 2,2 | 2,0 | 6,0 | 435 |
Таблица 3
| Тип двигателя | Мощ-ность кВт | Скольжение, % | Частота вращ. об./мин. | КПД,% | cos φ | Номинальный ток при U=380 В, А | Ммакс / Мн | Мпуск / Мн | Ммин / Мн | Iпуск / Iн | Масса, кг IМ 1081 |
| 6АР225М4 | 55 | 1,7 | 1500 | 92,5 | 0,85 | 106 | 2,5 | 2,3 | 2,1 | 7,0 | 355 |
| 6АР250S4 | 75 | 1,7 | 1500 | 93,2 | 0,85 | 144 | 2,4 | 2,2 | 1,8 | 7,0 | 490 |
| 6АР250М4 | 90 | 1,7 | 1500 | 93,8 | 0,88 | 166 | 2,7 | 2,7 | 2,0 | 7,0 | 535 |
| 6АР225M6 | 37 | 2,0 | 1000 | 91,0 | 0,84 | 74 | 2,3 | 2,2 | 1,8 | 7,0 | 335 |
| 6АР250S6 | 45 | 2,0 | 1000 | 92,0 | 0,84 | 88 | 2,2 | 2,0 | 1,8 | 6,5 | 435 |
| 6АР250М6 | 55 | 2,0 | 1000 | 92,0 | 0,84 | 108 | 2,2 | 2,0 | 1,8 | 6,5 | 470 |
| 6АР225М8 | 30 | 2,0 | 750 | 90,0 | 0,77 | 66 | 2,0 | 1,8 | 1,7 | 5,5 | 335 |
| 6АР250S8 | 37 | 2,0 | 750 | 90,8 | 0,77 | 80 | 2,0 | 1,8 | 1,6 | 5,5 | 435 |
| 6АР250М8 | 45 | 2,0 | 750 | 91,2 | 0,77 | 97 | 2,0 | 1,9 | 1,6 | 5,5 | 470 |
Таблица 4
|
Тип двигателя |
Мощность кВт |
Частота вращ. об./мин. |
Скольжение, % |
КПД % |
cos φ |
Масса, кг IМ1081 |
| 6А200L4/2 | 30 | 1500/ | 2 | 91,5 | 0,89 | 255 |
| 38,5 | 3000 | 1,7 | 85,5 | 0,9 | ||
| 6А225М4/2 | 42,5 | 1500 | 1,5 | 92 | 0,85 | 335 |
| 45 | 3000 | 1,5 | 84 | 0,87 | ||
| 6А225M8/4 | 22,4 | 750 | 1,5 | 87 | 0,69 | 335 |
| 33,5 | 1500 | 1,5 | 87 | 0,88 | ||
| 6А225M12/6 | 10 | 500 | 2,5 | 77,1 | 0,45 | 335 |
| 22 | 1000 | 2 | 88 | 0,86 | ||
| 6А225M8/6 | 22 | 750 | 1,5 | 86 | 0,65 | 335 |
| 30 | 1000 | 1,5 | 88,5 | 0,79 | ||
| 6А225M8/6/4 | 17 | 750 | 1,5 | 86 | 0,74 | 335 |
| 15 | 1000 | 1 | 86 | 0,82 | ||
| 25 | 1500 | 1,5 | 86,5 | 0,92 | ||
| 6А225M12/8/6/4 | 7,5 | 500 | 1,5 | 74,5 | 0,58 | 335 |
| 11 | 750 | 0,9 | 81 | 0,59 | ||
| 14 | 1000 | 1,5 | 84,5 | 0,87 | ||
| 20 | 1500 | 1 | 83,5 | 0,87 | ||
| 6А250S4/2 | 50 | 1500 | 1,5 | 93 | 0,86 | 505 |
| 60 | 3000 | 1,5 | 87 | 0,89 | ||
| 6А250M4/2 | 60 | 1500 | 1,5 | 93 | 0,87 | 550 |
| 71 | 3000 | 1,5 | 88 | 0,9 | ||
| 6А250S8/4 | 30 | 750 | 1,5 | 89,5 | 0,75 | 465 |
| 45 | 1000 | 1,5 | 88,5 | 0,9 | ||
| 6А250МВ4/2 | 66 | 1500 | 1 | 93 | 0,88 | 535 |
| 80 | 3000 | 1 | 89,8 | 0,87 | ||
| 6А250S12/6 | 16 | 500 | 1,5 | 83 | 0,53 | 460 |
| 28 | 1000 | 1,5 | 90 | 0,85 | ||
| 6А250М12/6 | 18,5 | 500 | 1,5 | 83,5 | 0,54 | 480 |
| 35,5 | 1000 | 1,5 | 89,5 | 0,85 | ||
| 6А250S8/6 | 30 | 750 | 1,5 | 89,5 | 0,7 | 465 |
| 37 | 1000 | 1 | 91 | 0,8 | ||
| 6А250M8/6 | 40 | 750 | 1,5 | 89,5 | 0,71 | 510 |
| 55 | 1000 | 1,5 | 91 | 0,81 | ||
| 6А250S8/6/4 | 22 | 750 | 1 | 88 | 0,77 | 465 |
| 22 | 1000 | 1 | 86 | 0,77 | ||
| 30 | 1500 | 1 | 87 | 0,92 | ||
| 6А250M8/6/4 | 20 | 750 | 0,9 | 86,4 | 0,64 | 480 |
| 30 | 1000 | 1 | 88 | 0,84 | ||
| 37 | 1500 | 1 | 88 | 0,9 | ||
| 6А250S12/8/6/4 | 9 | 500 | 1,5 | 76 | 0,57 | 465 |
| 15 | 750 | 0,9 | 86 | 0,7 | ||
| 18,5 | 1000 | 1,5 | 85 | 0,87 | ||
| 26,5 | 1500 | 1 | 85,5 | 0,91 | ||
| 6А250M12/8/6/4 | 11 | 500 | 1,5 | 75 | 0,5 | 480 |
| 18,5 | 750 | 0,9 | 86,1 | 0,67 | ||
| 22 | 1000 | 1,4 | 85,5 | 0,83 | ||
| 30 | 1500 | 1 | 86,5 | 0,9 | ||
| 6А250М8/4 | 37 | 750 | 1,5 | 89,5 | 0,75 | 480 |
| 55 | 1500 | 1,5 | 89,5 | 0,9 | ||
| 6А280S6/4 | 40 | 1000 | 1,3 | 91,5 | 0,84 | 610 |
| 60 | 1500 | 1,2 | 90,6 | 0,88 | ||
| 6А280S8/4 | 45 | 750 | 2 | 90 | 0,76 | 610 |
| 60 | 1500 | 1,9 | 91 | 0,91 |
Установочные и присоединительные размеры двигателей 6А132-250
монтажного исполнения IM1081
Установочные и присоединительные размеры двигателей 6А132-250
монтажного исполнения IM2081
Установочные и присоединительные размеры двигателей 6А132-200 монтажного исполнения IM3081,
двигателей 6А225-250 монтажного исполнения IM3011, IM3031
Рисунок 1a
Установочные и присоединительные размеры двигателей 6А132-250 монтажного исполнения IM1081



Рисунок 1d
Установочные и присоединительные размеры двигателей 6А280 монтажного исполнения IM1001



Габаритные размеры даны для справок.
Таблица 5
| Тип двигателя | Размеры, мм | ||||||||||||||||||
| l30 | h31 | d30 | d24 | l1 | l10 | l31 | d1 | b1 | b31 | h5 | d10 | b10 | d20 | d22 | d25 | l20 | h | n отв. | |
| 6А132S4-8 | 485 | 310 | 246 | 350 | 80 | 140 | 89 | 38 | 10 | - | 41 | 12 | 216 | 300 | 19 | 250 | 5 | 132 | 4 |
| 6А132М2-8 | 550 | 335 | 320 | 350 | 80 | 178 | 89 | 38 | 10 | - | 41 | 12 | 216 | 300 | 19 | 250 | 5 | 132 | 4 |
| 6A160S2 | 590 | 370 | 304 | 350 | 110 | 178 | 108 | 42 | 12 | - | 45 | 15 | 254 | 300 | 19 | 250 | 5 | 160 | 4 |
| 6A160S4-8 | 620 | 370 | 304 | 350 | 110 | 178 | 108 | 48 | 14 | - | 51,5 | 15 | 254 | 300 | 19 | 250 | 5 | 160 | 4 |
| 6А160М2 | 700 | 390 | 340 | 350 | 110 | 210 | 108 | 42 | 12 | - | 45 | 15 | 254 | 300 | 19 | 250 | 5 | 160 | 4 |
| 6А160М4-8 | 700 | 390 | 340 | 350 | 110 | 210 | 108 | 48 | 14 | - | 51,5 | 15 | 254 | 300 | 19 | 250 | 5 | 160 | 4 |
| 6А160М2 | 700 | 390 | 340 | 350 | 110 | 210 | 108 | 42 | 12 | - | 45 | 15 | 254 | 300 | 19 | 250 | 5 | 160 | 4 |
| 6А160М4-8 | 700 | 390 | 340 | 350 | 110 | 210 | 108 | 48 | 14 | - | 51,5 | 15 | 254 | 300 | 19 | 250 | 5 | 160 | 4 |
| 6А180S2 | 693 | 420 | 364 | 400 | 110 | 203 | 121 | 48 | 14 | - | 51,5 | 15 | 279 | 350 | 19 | 300 | 5 | 180 | 4 |
| 6A180S4 | 693 | 420 | 364 | 400 | 110 | 203 | 121 | 55 | 16 | - | 59 | 15 | 279 | 350 | 19 | 300 | 5 | 180 | 4 |
| 6А180М2 | 693 | 420 | 364 | 400 | 110 | 241 | 121 | 48 | 14 | - | 51,5 | 15 | 279 | 350 | 19 | 300 | 5 | 180 | 4 |
| 6А180М4-8 | 693 | 420 | 364 | 400 | 110 | 241 | 121 | 55 | 16 | - | 59 | 15 | 279 | 350 | 19 | 300 | 5 | 180 | 4 |
| 6А200М2 | 730 | 510* | 370 | 450 | 110 | 267 | 133 | 55 | 16 | - | 59 | 19 | 318 | 400 | 19 | 350 | 5 | 200 | 8 |
| 6А200М4-8 | 760 | 510* | 370 | 450 | 140 | 267 | 133 | 60 | 18 | - | 64 | 19 | 318 | 400 | 19 | 350 | 5 | 200 | 8 |
| 6А200L2 | 780 | 510* | 370 | 450 | 110 | 305 | 133 | 55 | 16 | - | 59 | 19 | 318 | 400 | 19 | 350 | 5 | 200 | 8 |
| 6А200L4-8 | 810 | 525 | 428 | 450 | 140 | 305 | 133 | 60 | 18 | - | 64 | 19 | 318 | 400 | 19 | 350 | 5 | 200 | 8 |
| 6А225М2 | 810 | 575 | 494 | 550 | 110 | 311 | 149 | 55 | 16 | - | 59 | 19 | 356 | 500 | 19 | 450 | 5 | 225 | 8 |
| 6А225М4-8 | 840 | 575 | 494 | 550 | 140 | 311 | 149 | 65 | 18 | - | 69 | 19 | 356 | 500 | 19 | 450 | 5 | 225 | 8 |
| 6А250S2 | 915 | 640 | 554 | 550 | 140 | 311 | 168 | 65 | 18 | - | 69 | 24 | 406 | 500 | 19 | 450 | 5 | 250 | 8 |
| 6250S4-8 | 915 | 640 | 554 | 550 | 140 | 311 | 168 | 75 | 20 | - | 79,5 | 24 | 406 | 500 | 19 | 450 | 5 | 250 | 8 |
| 6А250М2 | 915 | 640 | 554 | 550 | 140 | 349 | 168 | 65 | 18 | - | 69 | 24 | 406 | 500 | 19 | 450 | 5 | 250 | 8 |
| 6А250М4 | 955 | 640 | 554 | 550 | 140 | 349 | 168 | 75 | 20 | - | 79,5 | 24 | 406 | 500 | 19 | 450 | 5 | 250 | 8 |
| 6А250М6,8 | 915 | 640 | 554 | 550 | 140 | 349 | 168 | 75 | 20 | - | 79,5 | 24 | 406 | 500 | 19 | 450 | 5 | 250 | 8 |
| 6A280S2 | 982 | 614 | 545 | 660 | 140 | 368 | 190 | 70 | 20 | 460 | 74,5 | 24 | 457 | 600 | 24 | 550 | 6 | 280 | 8 |
| 6А280S4-8 | 1012 | 614 | 545 | 660 | 170 | 368 | 190 | 80 | 22 | 460 | 85 | 24 | 457 | 600 | 24 | 550 | 6 | 280 | 8 |
| 6А280М2 | 1060 | 630 | 594 | 660 | 140 | 419 | 190 | 70 | 20 | 535 | 74,5 | 24 | 457 | 600 | 24 | 550 | 6 | 280 | 8 |
| 6А280М4-8 | 1090 | 630 | 594 | 660 | 170 | 419 | 190 | 80 | 22 | 535 | 85 | 24 | 457 | 600 | 24 | 550 | 6 | 280 | 8 |
Предельные отклонения на установочные и присоединительные размеры по ГОСТ 8592.
* Для двигателей исполнения IМ2081 h31=525.
Габаритные и установочно-присоединительные размеры многоскоростных двигателей:
6А200L4/2 соответствуют 6А200L4;
6А225М4/2, М12/6, М8/6/4, М12/8/6/4 соответствуют 6А225М4;
6А250S4/2 соответствуют 6А250S4;
6А250S8/4, S8/6, S12/6, S8/6/4, S12/8/6/4 соответствуют 6А250S6;
6А250М4/2, МВ4/2, М8/6 соответствуют 6А250М4;
6А250М8/4, М12/6, М8/6/4, М12/8/6/4 соответствуют 6А250М6;
6А280S6/4, S8/4 соответствуют 6А280S4-8.
Продолжение таблицы 5
|
Тип двигателя |
Размеры, мм |
Диаметр проходного отверстия в коробке выводов |
||||||||
|
l11 |
l21 |
l54 |
l12 |
l12’ |
h10 |
b11 |
b12 |
К – З - І |
К – З - ІІ |
|
| 6А132S4-8 | 212 | 17 | 18 | - | - | 13 | 254 | 57 | 22 | 22 |
| 6А132М2-8 | 253 | 13 | 18 | 90 | 102 | 13 | 266 | 55 | ||
| 6А160S2 | 270 | 34 | 70 | 100 | 296 | 27 | 27 | |||
| 6А160S4-8 | 309 | 140 | ||||||||
| 6А160М2 |
260 |
15 |
22 |
64 |
72 |
17 |
300 |
65 | ||
| 6А160М4-8 | ||||||||||
| 6А160М2 | ||||||||||
| 6А160М4-8 | ||||||||||
| 6А180S2 |
340 |
34 |
80 |
145 |
18 |
350 |
75 | |||
| 6А180S4 | ||||||||||
| 6А180М2 | ||||||||||
| 6А180М4-8 | ||||||||||
| 6А200М2 |
374 |
25 |
390 |
85 | ||||||
| 6А200М4-8 | ||||||||||
| 6А200L2 | ||||||||||
| 6А200L4-8 | 364 | 20 | 37 | 100 | 100 | 408 | 90 | |||
| 6А225М2 |
390 |
22 |
41 |
28 |
440 |
100 |
44 |
34 | ||
| 6А225М4-8 | ||||||||||
| 6А250S2 |
430 |
40,5 |
30 |
490 |
60 |
44 | ||||
| 6А250S4-8 | ||||||||||
| 6А250М2 | ||||||||||
| 6А250М4 | ||||||||||
| 6А250М6,8 | ||||||||||
| 6А280S2 |
510 |
47 |
115 |
115 |
35 |
560 |
115 |
|||
| 6А280S4-8 | ||||||||||
| 6А280М2 |
510 |
80 |
80 |
20 |
540 |
80 | ||||
| 6А280М4 | ||||||||||
| 6А280М6,8 | ||||||||||
